GLL 系列冷却器
更新时间:2016-12-14 13:18:51点击次数:1219次
相关介绍
|
|
|
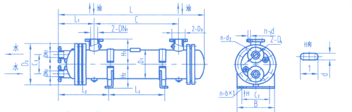
型号
|
L
|
C
|
L1
|
H1
|
H2
|
D1
|
D2
|
C1
|
C2
|
B
|
L2
|
L3
|
D3
|
D4
|
n-d1
|
n-d2
|
n-bxL
|
DN1
|
DN2
|
重量
(kg)
|
|
GLL3-4
|
1165
|
682
|
265
|
190
|
210
|
219
|
310
|
140
|
200
|
290
|
367
|
485
|
100
|
100
|
4-ø17.5
|
4-ø17.5
|
4-20×28
|
32
|
32
|
143
|
|
GLL3-5
|
1465
|
982
|
785
|
168
|
|
GLL3-6
|
1765
|
1282
|
1085
|
100
|
40
|
184
|
|
GLL3-7
|
2065
|
1512
|
1385
|
220
|
|
GLL4-12
|
1555
|
960
|
345
|
262
|
262
|
325
|
435
|
200
|
300
|
370
|
490
|
660
|
145
|
145
|
65
|
65
|
319
|
|
GLL4-16
|
1960
|
1365
|
1065
|
380
|
|
GLL4-20
|
2370
|
1775
|
1475
|
440
|
|
GLL4-24
|
2780
|
2175
|
350
|
1885
|
160
|
8-ø17.5
|
80
|
505
|
|
GLL4-28
|
3190
|
2585
|
2295
|
566
|
|
GLL5-35
|
2480
|
1692
|
500
|
315
|
313
|
426
|
535
|
235
|
300
|
520
|
730
|
1232
|
180
|
180
|
8-ø17.5
|
4-20×30
|
100
|
100
|
698
|
|
GLL5-40
|
2750
|
1962
|
1502
|
766
|
|
GLL5-45
|
3020
|
2202
|
515
|
725
|
1772
|
210
|
125
|
817
|
|
GLL5-50
|
3290
|
2472
|
2042
|
900
|
|
GLL5-60
|
3830
|
3012
|
2582
|
1027
|
|
GLL6-80
|
3160
|
2015
|
700
|
500
|
434
|
616
|
780
|
360
|
550
|
750
|
935
|
1555
|
295
|
295
|
8-ø22
|
8-ø22
|
4-25×32
|
200
|
200
|
1617
|
|
GLL6-100
|
3760
|
2615
|
2155
|
1890
|
|
GLL6-120
|
4360
|
3215
|
2755
|
2163
|
|
|
注:GLCA型与GLC型外形尺寸相同,油、水口有螺纹和法兰两种冷却器
|
|
我厂将根据客户来样来图非标产品进行设计,报价..
|