2LQF1W系列冷却器
更新时间:2016-12-14 13:14:11点击次数:1155次
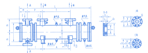
相关介绍
|
|
|
型号
|
10/19F
|
10/25F
|
10-29F
|
10/36F
|
10/45F
|
10/55F
|
10/68F
|
10/77F
|
10/100F
|
10
/135F
|
10/176F
|
10/244F
|
10/299F
|
|
A
|
2690
|
2690
|
2670
|
2640
|
2670
|
2590
|
2590
|
2590
|
2690
|
2620
|
4700
|
4800
|
5800
|
|
C
|
360
|
415
|
445
|
495
|
550
|
600
|
655
|
705
|
805
|
905
|
805
|
908
|
908
|
|
D1
|
280
|
280
|
280
|
280
|
280
|
335
|
335
|
405
|
405
|
405
|
405
|
405
|
405
|
|
D2
|
190
|
190
|
215
|
215
|
280
|
280
|
280
|
280
|
335
|
335
|
335
|
335
|
335
|
|
D3
|
240
|
240
|
240
|
240
|
240
|
295
|
295
|
355
|
355
|
355
|
355
|
355
|
355
|
|
D4
|
160
|
160
|
185
|
195
|
240
|
240
|
240
|
240
|
295
|
295
|
295
|
295
|
295
|
|
Dg
|
273
|
325
|
351
|
402
|
450
|
500
|
560
|
600
|
700
|
800
|
705
|
810
|
810
|
|
d2
|
80
|
80
|
100
|
100
|
150
|
150
|
150
|
150
|
200
|
200
|
200
|
200
|
200
|
|
d3
|
8-ф23
|
8-ф23
|
8-ф23
|
8-ф23
|
8-ф23
|
12-ф23
|
12-ф23
|
12-ф23
|
12-ф25
|
12-ф25
|
12-ф25
|
12-ф25
|
12-ф25
|
|
d4
|
8-ф18
|
8-ф18
|
8-ф18
|
8-ф18
|
8-ф23
|
8-ф23
|
8-ф23
|
8-ф23
|
8-ф23
|
8-ф23
|
8-ф23
|
8-ф23
|
8-ф23
|
|
d5
|
4孔16×22
|
4孔16×32
|
4孔16×32
|
4孔19×32
|
4孔19×32
|
4孔19×32
|
4孔19×32
|
4孔19×22
|
4-ф22
|
4-ф22
|
4-ф22
|
4-ф22
|
4-ф22
|
|
F1
|
200
|
200
|
250
|
270
|
300
|
325
|
325
|
400
|
435
|
435
|
430
|
480
|
480
|
|
G
|
240
|
240
|
280
|
285
|
310
|
345
|
345
|
355
|
360
|
375
|
425
|
450
|
450
|
|
H
|
190
|
216
|
268
|
292
|
305
|
330
|
300
|
380
|
432
|
482
|
435
|
485
|
485
|
|
H1
|
248
|
280
|
298
|
324
|
350
|
375
|
375
|
432
|
490
|
540
|
489
|
540
|
540
|
|
h
|
10
|
10
|
10
|
10
|
10
|
14
|
14
|
14
|
14
|
14
|
14
|
14
|
14
|
|
L
|
3460
|
3470
|
3510
|
3520
|
3580
|
3630
|
3640
|
3655
|
3770
|
3770
|
5709
|
6022
|
7059
|
|
M
|
140
|
145
|
160
|
165
|
190
|
195
|
200
|
205
|
255
|
255
|
201
|
611
|
611
|
|
P
|
290
|
292
|
310
|
320
|
345
|
385
|
390
|
395
|
475
|
475
|
381
|
404
|
404
|
|
T
|
2690
|
2690
|
2690
|
2680
|
2680
|
2615
|
2600
|
2595
|
2510
|
2510
|
4705
|
4993
|
5905
|
|
U
|
60
|
60
|
85
|
85
|
85
|
100
|
100
|
100
|
100
|
125
|
125
|
125
|
125
|
|
V
|
35
|
35
|
50
|
50
|
50
|
70
|
70
|
70
|
100
|
100
|
100
|
100
|
100
|
|
|
|
|
|
|
我厂将根据客户来样来图非标产品进行设计,报价..
|