
LQG系列船用冷却器
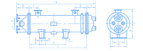
LQG系列滑油、淡水冷却主要用于船用柴油机油滑或船用循环淡水的冷却,结构为壳体膨胀卧式,管板采用不着HSN62-1或复合板,换热管采用HAL77-2或B10等耐海水腐蚀材料。
我厂将根据客户来样来图非标产品进行设计,报价..
LQG系列船用冷却器


LQG型冷却器尺寸表(二次流)
型号
冷却面积
接管通径
A
B
C
D
E
F
G
H
I
J
K
L
M
N
O
P
管侧
壳侧
LQG1-200/2
1
40
32
1106
110
100
160
121
80
150
500
850
150
150
100
150
60
30
4-M16
LQG2-200/2
2
50
40
1106
110
100
160
121
75
150
500
850
150
150
100
150
60
30
4-M16
LQG3-200/2
3
50
40
1406
110
100
160
121
75
150
800
1150
150
150
100
150
60
30
4-M16
LQG5-350/2
5
65
50
1521
120
110
170
131
92.5
150
850
1245
175
180
150
200
60
30
4-M16
LQG8-350/2
8
65
50
1187
140
130
200
136
142.5
150
500
875
250
260
230
280
60
30
4-M16
LQG10-350/2
10
80
65
1406
140
130
200
136
135
150
650
1094
250
260
230
300
60
30
4-M16
LQG15-400/2
15
100
80
1553
210
140
220
167
150
200
750
1140
250
290
250
300
60
30
4-M20
LQG20-400/2
20
125
100
1933
210
140
220
167
137.5
200
1000
1520
280
290
250
300
60
30
4-M20
LQG25-400/2
25
125
100
2333
210
140
220
167
137.5
200
1200
1900
280
290
250
300
60
30
4-M20
LQG30-400/2
30
125
100
2693
210
140
220
167
137.5
200
1600
2280
280
290
250
300
60
30
4-M20
LQG35-450/2
35
125
100
2539
250
140
240
192
137.5
200
1400
2061
280
290
250
300
60
30
4-M20
LQG40-550/2
40
125
100
2124
280
185
270
227
212.5
200
1050
1579
410
420
380
480
60
40
4-M20
LQG45-500/2
45
125
100
2605
260
170
250
197
187.5
250
1150
2112
340
350
320
420
75
45
4-M22
LQG50-650/2
50
150
150
1945
300
235
360
249
250
250
800
1352
470
480
420
560
75
45
4-M22
LQG60-650/2
60
150
150
2215
300
235
360
249
250
250
1100
1622
470
480
420
560
75
45
4-M24
LQG70-700/2
70
200
200
2280
300
235
360
280
250
250
950
1620
500
510
480
600
75
45
4-M24
LQG80-600/2
80
150
125
3160
300
210
335
242
225
300
1800
2576
440
400
400
520
60
40
4-M22
LQG90-700/2
90
200
200
2743
300
235
360
280
250
250
1400
2083
500
510
480
600
75
45
4-M24
LQG100-700/2
100
200
200
2975
300
235
360
280
250
200
1600
2315
500
510
480
600
75
45
4-M24
LQG110-700/2
110
200
200
3205
300
235
385
280
200
300
1650
2545
500
510
480
600
75
45
4-M24
LQG120-700/2
120
200
200
3123
360
240
360
300
300
300
1600
2413
440
540
520
640
75
45
4-M24
LQG130-700/2
130
200
200
3670
300
235
360
280
300
400
2100
3010
500
510
480
600
75
45
4-M24
LQG140-700/2
140
200
200
3900
300
235
360
280
250
400
2250
3240
500
510
480
600
75
45
4-M24
LQG150-700/2
150
200
250
4130
300
235
360
280
225
400
2500
3470
500
510
480
600
75
45
4-M24
LQG160-750/2
160
200
200
3930
330
240
385
300
275
400
2300
3220
530
540
520
640
75
45
4-M24
LQG180-750/2
180
250
200
4330
330
240
385
300
250
400
2600
3620
530
540
520
640
75
45
4-M24
LQG200-750/2
200
250
250
4730
330
240
385
300
250
400
3000
4020
530
540
520
640
75
45
4-M24
LQG220-800/2
220
250
250
4569
360
265
410
300
275
500
2600
3855
560
570
580
700
85
55
4-M24
LQG240-800/2
240
300
300
4919
360
265
410
300
250
500
2950
4205
560
570
580
700
85
55
4-M24
LQG260-800/2
260
300
300
5269
360
265
410
300
250
500
3300
4555
560
570
580
700
85
55
4-M24
型号
冷却面积
接管通径
A
B
C
D
E
F
G
H
I
J
K
L
M
N
O
P
管侧
壳侧
LQG1-200/2
1
40
32
1106
110
100
160
121
80
150
500
850
150
150
100
150
60
30
4-M16
LQG2-200/2
2
50
40
1106
110
100
160
121
75
150
500
850
150
150
100
150
60
30
4-M16
LQG3-200/2
3
50
40
1406
110
100
160
121
75
150
800
1150
150
150
100
150
60
30
4-M16
LQG5-350/2
5
65
50
1521
120
110
170
131
92.5
150
850
1245
175
180
150
200
60
30
4-M16
LQG8-350/2
8
65
50
1187
140
130
200
136
142.5
150
500
875
250
260
230
280
60
30
4-M16
LQG10-350/2
10
80
65
1406
140
130
200
136
135
150
650
1094
250
260
230
300
60
30
4-M16
LQG15-400/2
15
100
80
1553
210
140
220
167
150
200
750
1140
250
290
250
300
60
30
4-M20
LQG20-400/2
20
125
100
1933
210
140
220
167
137.5
200
1000
1520
280
290
250
300
60
30
4-M20
LQG25-400/2
25
125
100
2333
210
140
220
167
137.5
200
1200
1900
280
290
250
300
60
30
4-M20
LQG30-400/2
30
125
100
2693
210
140
220
167
137.5
200
1600
2280
280
290
250
300
60
30
4-M20
LQG35-450/2
35
125
100
2539
250
140
240
192
137.5
200
1400
2061
280
290
250
300
60
30
4-M20
LQG40-550/2
40
125
100
2124
280
185
270
227
212.5
200
1050
1579
410
420
380
480
60
40
4-M20
LQG45-500/2
45
125
100
2605
260
170
250
197
187.5
250
1150
2112
340
350
320
420
75
45
4-M22
LQG50-650/2
50
150
150
1945
300
235
360
249
250
250
800
1352
470
480
420
560
75
45
4-M22
LQG60-650/2
60
150
150
2215
300
235
360
249
250
250
1100
1622
470
480
420
560
75
45
4-M24
LQG70-700/2
70
200
200
2280
300
235
360
280
250
250
950
1620
500
510
480
600
75
45
4-M24
LQG80-600/2
80
150
125
3160
300
210
335
242
225
300
1800
2576
440
400
400
520
60
40
4-M22